세원펌프
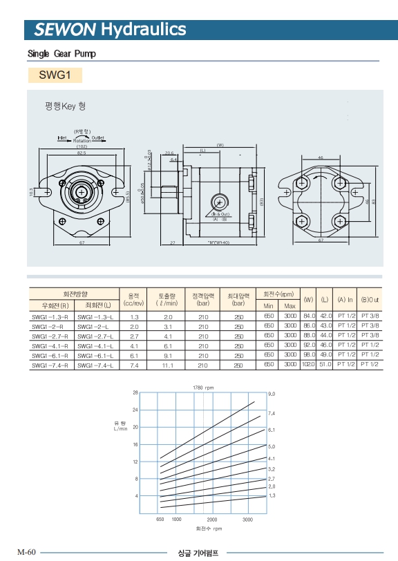
SWG1-2-R, SWG1-1.3-R, SWG1-2.7-R, SWG1-4.1-R, SWG1-6.1-R, SWG1-7.4-R, 세원 기어펌프.
정감이
2024. 2. 29. 16:48
반응형
SWG1-2-R, SWG1-1.3-R, SWG1-2.7-R, SWG1-4.1-R, SWG1-6.1-R, SWG1-7.4-R, 세원 기어펌프 알아보기.

알루미늄 전. 후 COVER는 초정밀 중력 주조물로 되어 있으며, 중앙 바디 부분은 고강도의 압출로서 이루어져 열악한 작동조건 및 환경에서 견딜 수 있는 내구성을 가지고 있습니다.

자유 이동 압력 균형 부싱은 치차 측면과의 적정한 간격을 유지시켜 고효율 (98%)이 가능하며 고용량 "DU" 부싱은 표준형으로 뛰어난 내구성과 신뢰성을 보장합니다.

특수한 밀봉 (Seal) 기술

내구성 높은 "DU" 테프론 라인 부싱

최대 250bar의 압력에서 지속적으로 사용할 수 있고 저소음, 고효율 작동이 이루어질 수 있도록 설계

| SWG1-2-R | SWG1-1.3-R | SWG1-2.7-R |
| SWG1-4.1-R | SWG1-6.1-R | SWG1-7.4-R |
세원 기어펌프 밸브 관련 문의사항 있으시면 전화 주세요.
경남 창원에 있는 창원 유공압입니다.
전화: 010-2525-1177
팩스: 0504-067-1177
반응형