유공압 자료
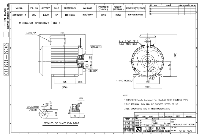
HT0204NP-C, 90L, 1.5KW 4P 220/380V, 신강 모터, SHIN KANG ELECTRIC, 신강 유압 모터.
정감이
2024. 6. 14. 13:30
반응형
HT0204NP-C, 90L, 1.5KW 4P 220/380V, 신강 모터, SHIN KANG ELECTRIC, 신강 유압 모터 알아보기.

신강 유압 모터 HT0204NP-C 제품입니다.


제품 설치시 참고하시어 보시면 됩니다.

유압용 베인 펌프 VCM-SFC-30C-10 들어가는 모터와 펌프 일체형 모터입니다.

모터는 2마력이고 펌프는 VCM-SFC-30C-10 결합되는 모터입니다.

신강모터 관련 문의사항 있으시면 전화주세요.
경남 창원에 있는 창원유공압입니다.
전화 010-2525-1177
팩스 0504-067-1177
반응형