유공압 자료

PVS-1B-16N2-12 대성나찌펌프 알아보기

알 수 없는 사용자 2015. 12. 12. 08:00
반응형
PVS-1B-16N2-12 대성나찌펌프 알아보기

 

 

유압펌프를 알아 보려고 합니다.

대성산업에서 생산되는 제품입니다.

NACHI 제품이고 국내에서 생산이

됩니다.

펌프도 종류가 많습니다.

기어펌프 베인펌프 피스톤펌프

보통 이렇게 3종류가 있습니다.

그중에 가변 피스톤 펌프 입니다.

사용압력은 210KG/CM2 까지도

사용 할수 있습니다.

펌프 관련 문의 사항 있으시면

전화 주세요.

 

 

 

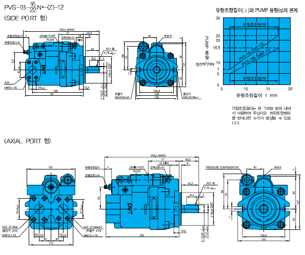
가변 피스톤 펌프 입니다.

PVS-1B-16N1-12

PVS-1B-16N2-12

PVS-1B-16N3-12

사용 압력에 따라 제품을 선정 하시면 됩니다.

 

 

형식에 보시면

PVS-1B-16N1.2.3 사용압력을 잘

보시고 제품을 보시면 됩니다.

 

 

PVS-2B-22N1.2.3 이제품도

용량이 22CC입니다.

 

 

형식을 보시면 제품 선정 하실때

도움이 되실겁니다.

 

 

펌프 사양 확인 하실때 보시면 됩니다.

 

유압 피스톤 펌프의

응답성능도 입니다.

펌프가 작동 했을때의 어떻게 작동

하는가의 시험 회로 입니다.

이렇게 펌프의 사양을 알아 보았습니다.

펌프 관련 자료 문의 사항 있으시면

전화 주세요. 경남 창원 창원유공압입니다.

전화 010-2525-1177 입니다.

 

 

반응형