유공압 자료

베스코 득인 DS-13P 베인펌프 알아보기.

알 수 없는 사용자 2017. 11. 6. 18:10
반응형
베스코 득인 DS-13P 베인펌프 알아보기.

 

 

공작기계에 최적의 제품으로 Gear pump 와 비교해서 소형으로도 출력이 크고 특히 공작기계 등에 최적합하다. 최소형, 경향으로서 경제적 저압 gear pump 에 비교해서 소형, 경량이기 때문에 경제적이며 광범위한 회적속도와 뛰어난 안정성을 갖춘 pump 이다. 저압영역에서 고압영역까지 고효율 유지 Cushion plate 방식에 의해 side clearance는 항상 일정하고 고속회전으로 사용하는 경우에도 열에 의한 부착현상이나 마모현상이 없어 안정된 높은 효율을 유지한다. 토출압력의 맥동이 적다. 토출량의 변동이 최소한으로 되는 camring 을 채용하고 있기 때문에 운전음이 조용하며 맥동이 적어 안정된 성능을 나타낸다. 흡립저항이 적다. 흡입구가 크고 설계되어 있기 때문에 흥입 저항이 적은 저소음 pump 입니다. 오늘은 저소음 베인펌프에 대해서 알아 보겠습니다.

vane pump 사양은 DS-13P 사양입니다. 국산은 아니고 타이완에서 만든 제품입니다.

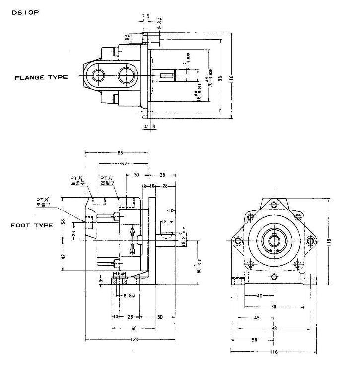
펌프가 일반타입 FOOT 타입 이렇게 나옵니다.

베인펌프 중요자료 백업.zip

 

정면에서본 제품 사진입니다. DS-13P로 토출포트는 정면부분도 토출 포트 입니다.

상부에 보면 흡입쪽이 조금 더 큽니다. 그로인해 소음이 줄어듭니다. 

베인펌프는 회전 방향이 있어서 맞게 설치 조립을 하셔야 합니다.

아래 하부 부분입니다.

오른쪽 회전방향 잘 보시고 사용 하시면됩니다.

제품 관련 전체전인 디멘션입니다. 치소 잘 보시고 사용하시면 됩니다.

축 쪽면입니다. 설치하실때 양쪽 2볼트 타입으로 되어 있습니다.

축경은 16MM정도 나옵니다. 모터와 조립하실때 참고 하시어 보시면 됩니다.

베인펌프 DP-13P 관련 동영상 첨부해서 올려 봅니다.

베스코 득인 기공 베인 펌프 DP-13P 관련 문의 사항 있으시면 전화 주세요. 경남 창원에 있는 창원유공압입니다. 전화 010-2525-1177 입니다.

베인펌프 중요자료 백업.zip

반응형