공압

단동 전진형 실린더 TCM2F40-250S 알아보기. TCM2B20-50S, TCM2B32-50S, TCM2B40-50S, TCM2B40-100, TCM2B32-100S, TCM2B32-75S, TCM2B20-75S, TCM2B20-75S, TCM2B20-100S, TCM2B20-150S, TCM2B32-150S, TCM2B40-150S, TCM2B40-200S, TCM2B32-150S, TCM2B40-15..

알 수 없는 사용자 2018. 4. 11. 12:36
반응형

단동 전진형 실린더 TCM2F40-250S 알아보기. TCM2B20-50S, TCM2B32-50S, TCM2B40-50S, TCM2B40-100, TCM2B32-100S, TCM2B32-75S, TCM2B20-75S, TCM2B20-75S, TCM2B20-100S, TCM2B20-150S, TCM2B32-150S, TCM2B40-150S, TCM2B40-200S, TCM2B32-150S, TCM2B40-150S.

 

단동 전진형 실린더 입니다. 평상시 후진 되어 있어서 헤드쪽에 에어를 공급을 하면 전진이 되는 타입입니다. 공압에서 많이들 사용하는 실린더 입니다. 실린더 싸이즈는 20파이부터 40파이 까지 있어서 다양하게 사용을 하시면 됩니다.

 

단동실린더 입니다. 제품 사양은 TCM2F40-250S 실린더 입니다. 실린더는 아주 다양하게 제작이 가능 합니다.

TCM2B20-50S, TCM2B20-100S, TCM2B20-150S, TCM2B20-200S, TCM2B20-250S, TCM2B32-50S, TCM2B32-100S, TCM2B32-150S, TCM2B32-200S, TCM2B32-250S, TCM2B40-50S, TCM2B40-100S, TCM2B40-150S, TCM2B40-200S, TCM2B40-250S, TCM2B25-50S, TCM2B25-100S, TCM2B25-150S, TCM2B25-200S, TCM2B25-250S, 이렇게 다양하게 있습니다.

 

 

 

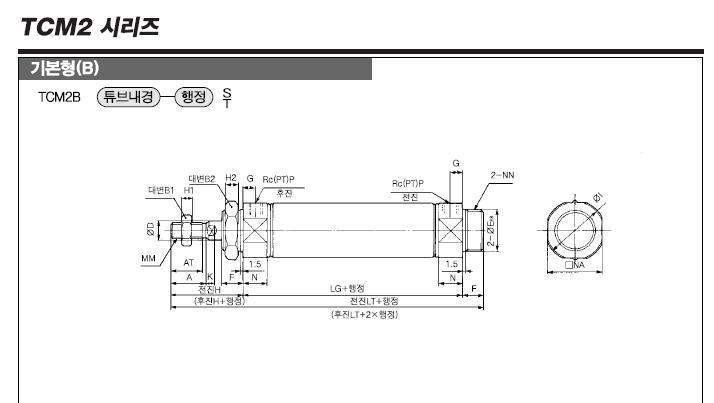
실린더 기본 기호 입니다. 참고 하시어 보시면 됩니다.

제품 사양은 다양하게 있습니다. 참고 하시어 보시면 됩니다.

단동실린더중요자료백업.zip

 

전체 적인 실린더 는 일반 실린더와 그렇게 차이는 없습니다.

전진형 타입이라서 뒤쪽으로 에어를 공급을 해야 합니다.

치수도면 입니다. 설치 하실때 참고 하시어 보시면 됩니다.

단동실린더 동영상입니다. 참고 하시어 보시면 됩니다.

단동실린더 관련 문의 사항 있으시면 전화 주세요. 경남 창원에 있는 창원유공압입니다. 전화 010-2525-1177 입니다.

단동실린더중요자료백업.zip

 

반응형