프로텍

프로텍평행개폐형에어척, PH01-10G, PH01-16G, PH01-20G, PH01-25G, PH01-10G-A1, PH01-16G-A1, PH01-20G-A1, PH01-25G-A1, 프로텍 에어척 알아보기.

정감이 2019. 5. 2. 22:47
반응형
프로텍평행개폐형에어척, PH01-10G, PH01-16G, PH01-20G, PH01-25G, PH01-10G-A1, PH01-16G-A1, PH01-20G-A1, PH01-25G-A1, 프로텍 에어척 알아보기

 

 

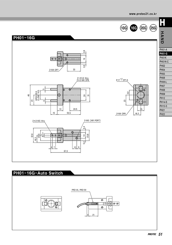
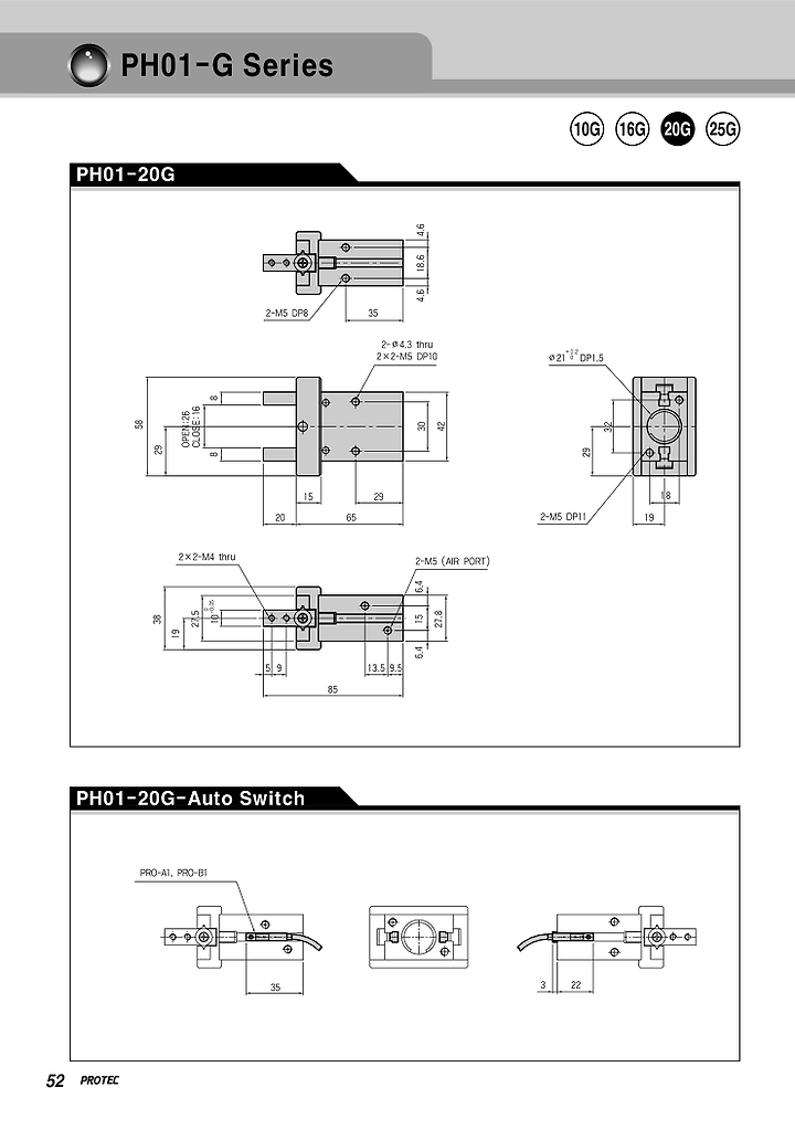
클랭크레벨에 의한 평행개폐방식타입이며 PH01-A 타입에 가이트부를 대폭 보강하여 외부부하에 대한 가이드의 대응력을 강화시킨 고강성, 고정도 구조입니다. 개폐 검출용 오토스위치 장착가능한 타입이고. 취부형태의 다양화게 되어 있습니다.

 

프로텍 에어척이 다양하게 있습니다. PH01-10G, PH01-16G, PH01-20G, PH01-25G, PH01-10G-A1, PH01-16G-A1, PH01-20G-A1, PH01-25G-A1

PH01-10G중요자료백업.zip

 

PH01-10G 타입입니다. 스위치 타입확인 하시고 사용하시면 됩니다.

싸이즈가 다양하게 있습니다.

제품 설치 하실때 참고 하시어 사용하시면 됩니다.

제품관련 문의 사항 있으시면 전화주세요. 경남 창원에 있는 창원유공압입니다. 전화 010-2525-1177입니다.

PH01-10G중요자료백업.zip

반응형