프로텍

프로텍 에어척, PH01K-20, PH01K-30, PH01K-40, PH01K-50, PH01K-60, PH01K-80, PH01K-100, PH01K-20C, PH01K-30C, PH01K-40C, PH01K-50C, PH01K-60C, PH01K-80C, PH01K-100C.

정감이 2019. 5. 7. 23:03
반응형

프로텍 에어척, PH01K-20, PH01K-30, PH01K-40, PH01K-50, PH01K-60, PH01K-80, PH01K-100, PH01K-20C, PH01K-30C, PH01K-40C, PH01K-50C, PH01K-60C, PH01K-80C, PH01K-100C 알아보기.

 

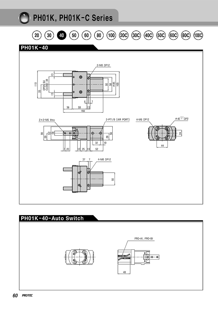
Clank Lever에 의한 평행개폐방식의 중형 핸드 타입이며 핑거 습동부에 크로스 롤러 베어링 가이드 방식 채택으로 정밀개폐작용. 고정도 고강성의 구조로 안정성 및 내구성의 우수하고, 취부 형태의 다양화로 제품 사용하실때 아주 좋습니다. 그리고 개폐 검출용 오토스위치 부착이 가능 합니다. 외부분진 및 절삭칩의 비산 등에 대응가능한 보호커버 부착가능 타입도 있습니다.

 

프로텍 에어척이 다양하게 있습니다. 사양이. PH01K-20, PH01K-30, PH01K-40, PH01K-50, PH01K-60, PH01K-80, PH01K-100. 있습니다.

제품 사용하실때 참고 하시어 사용하세요.

프로텍01025251177중요자료.zip

 

조금더 큰 타입입니다. 커버부착 타입입니다. PH01K-20C, PH01K-30C, PH01K-40C, PH01K-50C, PH01K-60C, PH01K-80C, PH01K-100C 외부분진에 대해서 아주 좋은 제품입니다.

싸이즈 별도 있으서 참고 하시어 사용 하세요.

커버 타입은 분진이 있는 곳에 사용하기 좋은 제품입니다.

제품 관련 문의 사항 있으시면 전화 주세요. 경남 창원에 있는 창원유공압입니다. 전화 010-2525-1177입니다.

프로텍01025251177중요자료.zip

 

반응형