세원펌프
SVP-12-20-10, SVP-12-35-10, SVP-12-55-10, SVP-12-70-10, 세원 베인펌프.
정감이
2023. 2. 7. 16:41
반응형
SVP-12-20-10, SVP-12-35-10, SVP-12-55-10, SVP-12-70-10, 세원 베인펌프 알아보기.

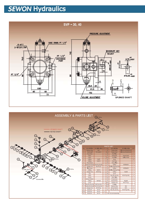
새롭게 설계한 토출유량 압력제어시스템인 "압력 밸런스 메커니즘"을 기반으로 토출량이 매우 안정적입니다.

초정밀도 가공기술을 통해 고효율을 얻으면서 동력손실을 더욱 감소시켰습니다.

특수설계된 Cam Ring으로 고압 작동 시에도 소음을 최소화시켰습니다.
| SVP-12-20-10 | SVP-12-35-10 |
| SVP-12-55-10 | SVP-12-70-10 |
세원 베인펌프 관련 문의 사항 있으시면 전화 주세요.
경남 창원에 있는 창원 유공압입니다.
전화: 010-2525-1177
팩스: 0504-067-1177
반응형