SMC실린더
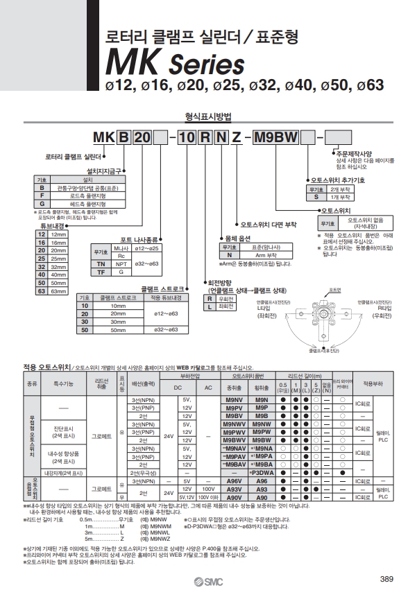
MKB32-30LZ, MKB32-10LZ, MKB32-20LZ, MKB32-50LZ, SMC 로터리 클램프 실린더 / 표준형.
정감이
2023. 6. 22. 16:00
반응형
MKB32-30LZ, MKB32-10LZ, MKB32-20LZ, MKB32-50LZ, SMC 로터리 클램프 실린더 / 표준형 알아보기.

허용관성 모멘트 3배 향상 (고부하 타입 MK2 시리즈와 동등)

4면에 소형 오토스위치 부착 가능

전체 길이는 기존 MK 시리즈와 동일

기존 MK, MK2는 New MK 시리즈로 통합 리프레시

| MKB32-30LZ | MKB32-10LZ |
| MKB32-20LZ | MKB32-50LZ |
SMC 로터리 클램프 실린더 / 표준형 관련 문의사항 있으시면 전화 주세요.
경남 창원에 있는 창원 유공압입니다.
전화 : 010-2525-1177
팩스 : 0504-067-1177
반응형