선광전자
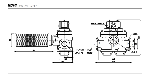
SV-701-220V, SV-701-110V, SV-701-24V, 선광전자 듀얼 솔레노이드 밸브.
정감이
2023. 7. 13. 13:54
반응형
SV-701-220V, SV-701-110V, SV-701-24V, 선광전자 듀얼 솔레노이드 밸브 알아보기.

두 개의 전자변 코일로 작동

빠르고 안전한 전환속도 및 내구성

다양한 프레스의 에어클러치, 클러치 브레이크 등의 제어용으로 사용 가능


| SV-701-220V | SV-701-110V |
| SV-701-24V | 선광전자 듀얼 솔레노이드 밸브 |

선광전자 듀얼 솔레노이드 밸브 관련 문의사항 있으시면 전화 주세요.
경남 창원에 있는 창원 유공압입니다.
전화 : 010-2525-1177
팩스 : 0504-067-1177
반응형