반응형
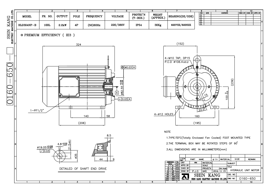
HT0304NP-B, HT0304NP-A, HT0304NP-C, 신강모터 알아보기.

국산 제품입니다. HT0304NP-B

모터는 3마력이고 펌프는 AR16 결합되는 모터입니다.

신강모터 관련 문의 사항 있으시면 전화 주세요.

| HT0304NP-B | HT0304NP-A |
| HT0304NP-C | 신강모터 |


신강모터 관련 문의사항 있으시면 전화 주세요.
경남 창원에 있는 창원 유공압입니다.
전화: 010-2525-1177
팩스: 0504-067-1177
반응형
