반응형
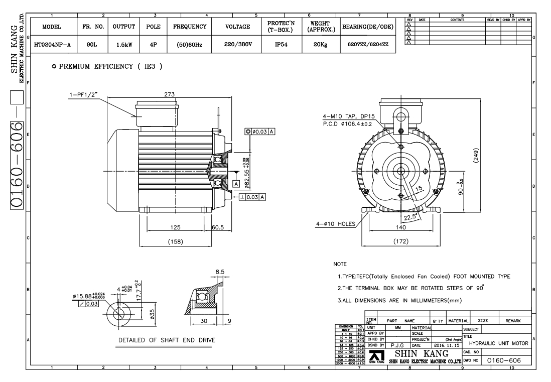
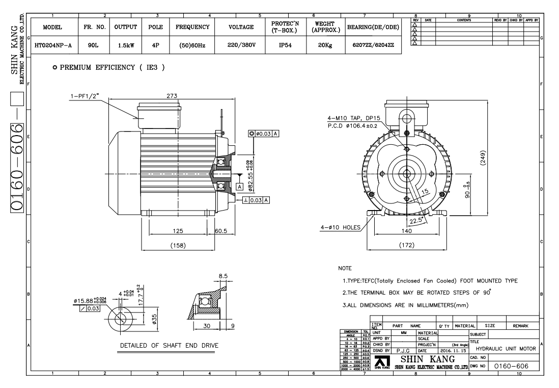
HT0204NP-A, 1.5kW 4P (50)60Hz 220/380V, 신강 유압 모터 알아보기.

국산 제품입니다. HT0204NP-A.

유압용 모터 축경이 15.88 들어가는 모터와 펌프 일체형 모터입니다.

모터는 2마력이고 펌프는 15.88축에 결합되는 모터입니다.

신강모터 관련 문의 사항 있으시면 전화 주세요.



신강 유압 모터 관련 문의 사항 있으시면 전화 주세요.
경남 창원에 있는 창원 유공압입니다.
전화 : 010-2525-1177
FAX : 0504-067-1177
반응형
'세원SEWON' 카테고리의 다른 글
| A16-F-R-01-B-S-K-32. 세원 피스톤 펌프. (2) | 2024.09.11 |
|---|---|
| MBA-01-H-30, MBA-01-C-30, MBB-01-H-30, MBB-01-C-30, MBP-01-H-30, MBP-01-C-30. 세원 릴리프 모듈러 밸브. (2) | 2023.10.05 |
