반응형
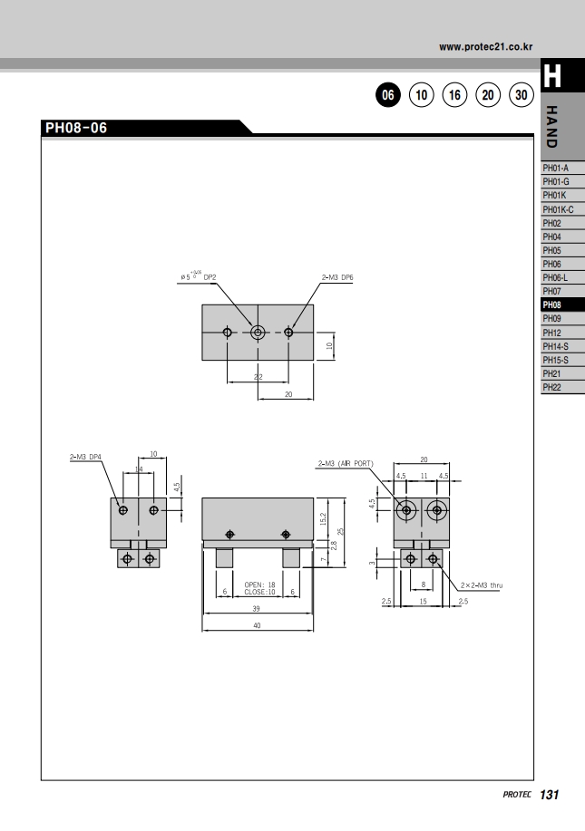
PH08-06 프로텍 평행개폐형 알아보기
바로문의하기 010-2525-1177

프로텍 평행개폐형 PH08-06 제품입니다.

제품 선정시 참고하시어 보시면 됩니다.

Link Lever에 의한 평행개폐형 방식의 각형 Hand 입니다.

개폐범위 확대되었습니다.

고정도, 고강성 구조입니다.

PH08-06 제품의 실제 치수입니다. 사양 참고하시어 보시면 됩니다.

Compact한 구조형태로 2본의 실린더를 Yoke에 의해 동기동작형 구조화시킴으로 안정된 파지력을 발휘합니다.

개폐검출용 오토 스위치 부착 가능하며, Finger 습동부에 Croos Roller Guide 방식채택으로 정밀 개폐작용
프로텍 평행개폐형 관련 문의 사항 있으시면 전화주세요.
경남 창원에 있는 창원유공압입니다.
전화 010-2525-1177
팩스 0504-067-1177
반응형
'프로텍' 카테고리의 다른 글
| ASU18N 프로텍 SWIVEL UNIT (0) | 2025.10.25 |
|---|---|
| PST08NS-20 프로텍 가이드 실린더 (0) | 2025.09.09 |
| PH15-60S 프로텍 평행개폐형 에어척 (2) | 2025.08.20 |
| PH06-30 프로텍 평행개폐형 (2) | 2025.08.12 |
| PH15-50S 프로텍 에어척 (1) | 2025.08.08 |
