반응형
CXSM25-50 SMC 듀얼로드 실린더 알아보기
바로문의하기 010-2525-1177

SMC 듀얼로드 실린더 CXSM25-50 제품입니다.

제품 선정시 참고하시어 보시면 됩니다.
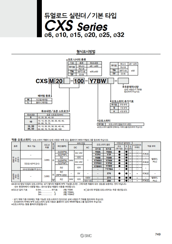
[ CXS 시리즈 ]
CXSM6-30
CXSM10-10
CXSM10-20
CXSM10-40
CXSM10-50
CXSM15-10
CXSM15-15
CXSM15-20
CXSM15-50
CXSM20-10
CXSM20-20
CXSM20-50
CXSM20-75
CXSM25-40
CXSM25-75
CXSM25-100
CXSL20-20
CXSL20-30
CXSL25-75

박형, 콤팩트, 고정도 가이드 기능을 가진 Pick & Place 등에 적합한 로드 실린더 입니다.

3방향에서 설치 가능합니다.

워크 설치는 3면에서 가능합니다.

참고하시어 보시면 됩니다.

M : 미끄럼 베어링 사용 / L : 볼 부시 베어링 표준화

SMC 듀얼로드 실린더 관련 문의사항 있으시면 전화주세요.
경남 창원에 있는 창원유공압입니다.
전화 010-2525-1177
팩스 0504-067-1177
반응형
'SMC실린더' 카테고리의 다른 글
| MGPM20-60Z SMC 가이드부착 박형 실린더 (0) | 2025.12.17 |
|---|---|
| MGPM20-75Z SMC 가이드 부착 박형 실린더 (0) | 2025.10.29 |
| SMC 실린더 CA2A32-25DMZ. (0) | 2025.09.08 |
| CDQ2B25-30DM SMC 박형실린더 (0) | 2025.06.20 |
| CDM2KB2-200Z. SMC 에어실린더. (1) | 2024.09.26 |
