반응형
MTD03H4T1-C 신강 모터 알아보기
바로문의하기 010-2525-1177

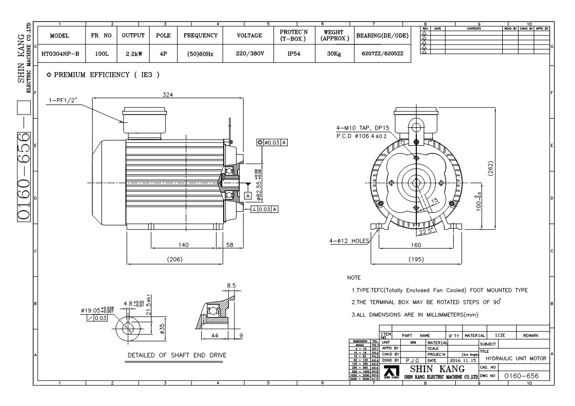
MTD03H4T1-C 신강 모터 제품입니다.

참고하시어 보시면 됩니다.

3상 유도 전동기이며, 전압 및 주파수 220/380V (50/60HZ) 입니다.

모터는 3마력이고 펌프는 4볼트 맞게 사용하시면 됩니다.

무게 21kg이고 주로 산업용 기기 및 가전제품에 사용되는 유도 전동기입니다.

참고하시어 보시면 됩니다.
신강 모터 관련 문의사항 있으시면 전화주세요.
경남 창원에 있는 창원유공압입니다.
전화 010-2525-1177
팩스 0504-067-1177
반응형
'신강모터' 카테고리의 다른 글
| JT0104NS-S, 80M, 0.75KW 4P 220/380V, 신강모터, SHIN KANG ELECTRIC, 신강유압모터. 국산 모터, 모터가 다양하게 있습니다. (1) | 2025.02.08 |
|---|
