ARDB40-60, ARDB40-175, ARDB40-300, ARDB50-100, ARDB50-150, ARDB50-420A-C73K, ARDB63-100-C73K, ARDB20-25, ARDB20-100, ARDB25-175, ARDB25-350, TPC 에어실린더 알아보기.
ARDB40-60, ARDB40-175, ARDB40-300, ARDB50-100, ARDB50-150, ARDB50-420A-C73K, ARDB63-100-C73K, ARDB20-25, ARDB20-100, ARDB25-175, ARDB25-350, TPC Air Learn about cylinders.
ARDB40-60、ARDB40-175、ARDB40-300、ARDB50-100、ARDB50-150、ARDB50-420A-C73K、ARDB63-100-C73K、ARDB20-25、ARDB20-100、ARDB25-175、ARDB25-350、TPC Air了解气缸。

쿠션 밸브를 완전히 닫거나 완전히 열린 상태로 사용하지 마십시오. 완전히 닫은 상태로 사용 시 쿠션 패킹이 파손됩니다. 완전히 열린 상태로 사용 시 스톤 로드 Ass'y 또는 커버가 파손됩니다.
Do not use the cushion valve fully closed or fully open. Cushion packing will be damaged if used in a fully closed state. The stone rod assembly or cover will be damaged if used in the fully opened state.

실린더 속도는 정해진 범위 이내에서 사용하십시오. 실린더 및 패킹 파손의 원인이 됩니다.
Use the cylinder speed within the specified range. It may cause damage to the cylinder and packing.

쿠션 패킹과 부쉬는 교환하지 마십시오. 쿠션 패킹과 부쉬는 압입 되어 있어, 교환할 경우에는 커버 Ass'y를 교환하여야 합니다. ( ※ Ø20, Ø25 쿠션 패킹은 제외)
Do not replace the cushion packing and bushings. Cushion packing and bushing are press-fitted. When replacing, the cover assembly must be replaced. (※ Ø20, Ø25 cushion packing excluded)
不要更换缓冲填料和衬套。缓冲垫和衬套采用压装方式。更换时,必须更换盖板组件。 (※ Ø20, Ø25 缓冲包装除外)

패킹을 교환 시에 새 패킹에 그리스를 바른 후, 조립하십시오. 그리스를 바르지 않고 실린더를 작동시킬 시 패킹에 심한 마모현상이 발생하여 조기 에어 누설의 원인이 됩니다.
When replacing the packing, apply grease to the new packing before assembling. If the cylinder is operated without grease, severe abrasion occurs on the packing, which may cause premature air leakage.
更换盘根时,组装前在新盘根上涂抹润滑脂。如果气缸在没有润滑脂的情况下运行,填料会发生严重磨损,这可能会导致过早漏气。

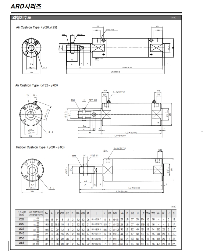
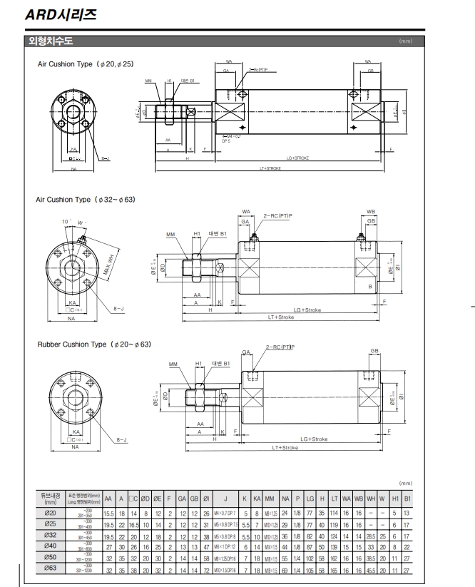
에어쿠션 부착을 표준화. 쿠션은 에어쿠션과 러버 쿠션 2가지
Standardization of air cushion attachment. There are two types of cushion: air cushion and rubber cushion.
气垫附件标准化。坐垫有气垫和橡胶垫两种。

| ARDB40-60 | ARDB40-175 | ARDB40-300 | ARDB50-100 | ARDB50-150 | ARDB20-100 |
| ARDB50-420A -C73K |
ARDB63-100 -C73K |
ARDB20-25 | ARDB25-175 | ARDB25-350 | TPC 에어실린더 |
제품 관련 문의 있으시면 전화 주세요.
경남 창원에 있는 창원 유공압입니다.
☎ 010-2525-1177 ☎
If you have any questions about the product, please call us.
Changwon Hydraulics is located in Changwon, Gyeongsangnam-do.
☎ 010-2525-1177 ☎
如果您对产品有任何疑问,请致电我们。
昌原液压位于庆尚南道昌原市。
☎ 010-2525-1177 ☎
