반응형
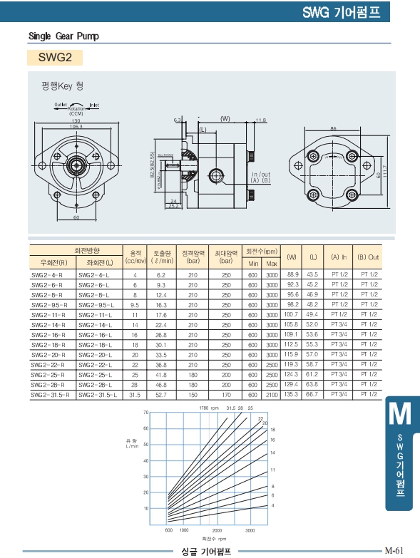
SWG2-4-R, SWG2-4-L, SWG2-6-R, SWG2-6-L, SWG2-8-R, SWG2-8-L, SWG2-9.5-R, SWG2-9.5-L, SWG2-11-R, SWG2-11-L, SWG2-14-R, SWG2-14-L, SWG2-16-R, SWG2-16-L, 세원 기어펌프 알아보기.

알루미늄 전. 후 COVER는 초정밀 중력 주조물로 되어 있으며, 중앙 BODY 부분은 고강도의 압출로서 이루어져 열악한 작동 조건 및 환경에서 견딜 수 있는 내구성을 가지고 있습니다.

자유 이동 압력 균형 부싱은 치차 측면과의 적정한 간격을 유지시켜 고효율 (98%)이 가능하며 고용량 "DU" 부싱은 표준형으로 뛰어난 내구성과 신뢰성을 보장합니다.

특수한 밀봉 (SEAL) 기술.

내구성 높은 "DU" 테프론 라인 부싱.

비압축성 작동유로서 내마모성을 갖추고 적절한 유동성, 비산화성, 비부식성으로서 윤활성이 좋아야 합니다.
특별한 경우를 제외하고 일반적으로 석유계 작동유가 사용됩니다.

흡입 측의 허용 최저 절대 압력은 0.7 BAR입니다. 흡입 측 유속은 2~3M/SEC를 초과하지 않아야 합니다.

축에 축하중 및 트러스트 하중의 영향을 받지 않도록 하고 축심은 반드시 TIR 0.18MM 이내이어야 합니다.
| SWG2-4-R | SWG2-4-L |
| SWG2-6-R | SWG2-6-L |
| SWG2-8-R | SWG2-8-L |
| SWG2-9.5-R | SWG2-9.5-L |
| SWG2-11-R | SWG2-11-L |
| SWG2-14-R | SWG2-14-L |
| SWG2-16-R | SWG2-16-L |
세원 기어펌프 관련 문의 사항 있으시면 전화 주세요.
경남 창원에 있는 창원 유공압입니다.
전화 : 010-2525-1177
FAX : 0504-067-1177
반응형
'세원펌프' 카테고리의 다른 글
| A16-F-R-01-H-K-32, A16-F-R-01-B-K-32, A16-F-R-01-C-K-32, 세원 피스톤 펌프. (7) | 2023.01.10 |
|---|---|
| 50T-17-F-RL-30, 50T-26-F-RL-30, 50T-36-F-RL-30, 50T-36-L-RL-30, 세원 베인싱글펌프. (6) | 2023.01.05 |
| 유압유니트 3마력모터에 AR16-FR01B 펌프 입니다. (24) | 2022.12.06 |
| PVM16-6-P03-10, PVM16-6-P02-10, PVM16-6-02-10, 세원 베인 펌프 - 모터. (0) | 2022.12.01 |
| PV8-FR014J-10, PV8-FR016J-10, PV16-FR016J-10, PV16-FR014J-10, 세원 베인펌프. (4) | 2022.11.16 |
