반응형
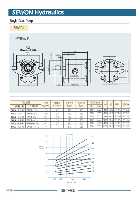
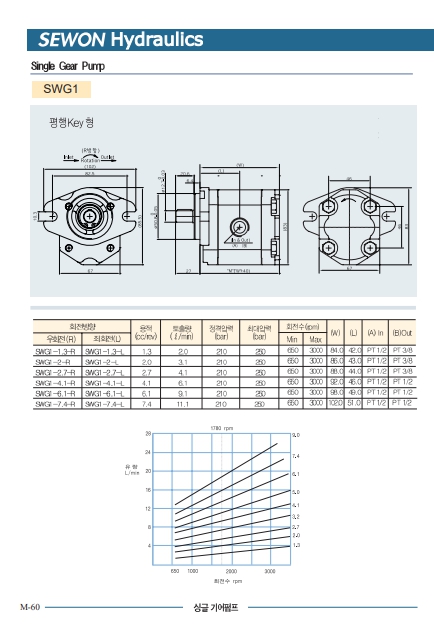
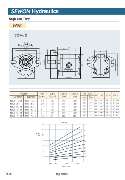
SWG1-1.3-R, SWG1-2-R, SWG1-2.7-R, SWG1-4.1-R, SWG1-6.1-R, SWG1-7.4-R, 세원 기어펌프 알아보기.

알루미늄 전. 후 COVER는 초정밀 중력 주조물로 되어 있으며, 중앙 BODY 부분은 고강도의 압출로서 이루어져 열악한 작동 조건 및 환경에서 견딜 수 있는 내구성을 가지고 있습니다.

자유 이동 압력 균형 부싱은 치차 측면과의 적정한 간격을 유지시켜 고효율 (98%)이 가능하며 "DU" 부싱은 표준형으로 뛰어난 내구성과 신뢰성을 보장합니다.

특수한 밀봉(SEAL) 기술

내구성 높은 "DU" 테프론 라인 부싱

| SWG1-1.3-R | SWG1-2-R | SWG1-2.7-R |
| SWG1-4.1-R | SWG1-6.1-R | SWG1-7.4-R |
세원 기어펌프 관련 문의사항 있으시면 전화 주세요.
경남 창원에 있는 창원 유공압입니다.
전화 : 010-2525-1177
팩스 : 0504-067-1177
반응형