반응형
ALP1A-D-9-FC, ALP1A-D-11-FC, ALP1A-D-13-FC, ALP1A-D-16-FC, ALP1A-D-20-FC, MARZOCCHI 펌프 알아보기.

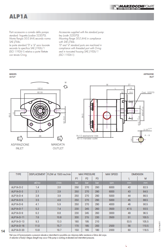
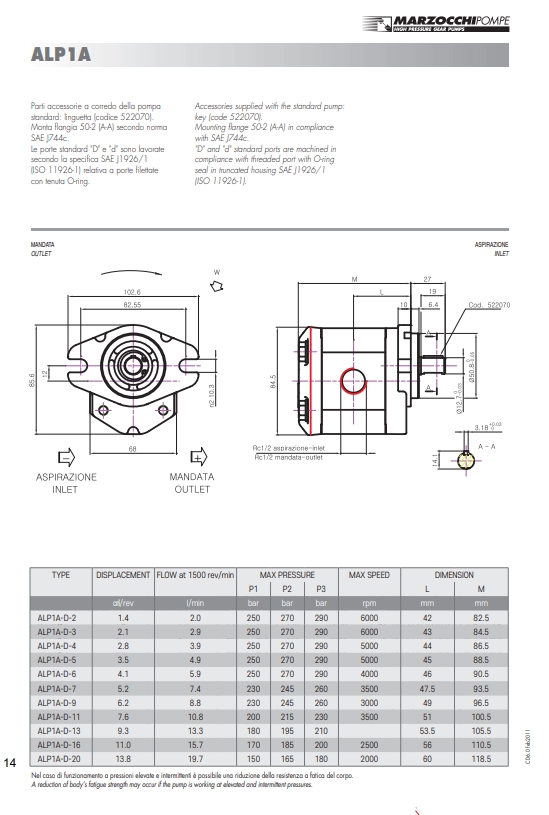
기어펌프는 구조가 간단하고 값싼 펌프로서 차량, 건설기계, 운반기계 등에 널리 사용되고 있습니다.


이제까지 기어펌프는 저압용으로 여겨져 왔었지만 압력 평형형도 만들어져서 성능이 향상되었습니다.

유압 엘리베이터용에 사용되는 나사 펌프에 대해서도 설명해 둡니다.

| ALP1A-D-9-FC | ALP1A-D-11-FC | ALP1A-D-13-FC |
| ALP1A-D-16-FC | ALP1A-D-20-FC | MARZOCCHI 펌프 |
MARZOCCHI 펌프 관련 문의사항 있으시면 전화 주세요.
경남 창원에 있는 창원유공압입니다.
전화 010-2525-1177
팩스 0504-067-1177
반응형
